Industrial fuses can provide overload and short circuit protection and are suitable for use in heating and cooling systems, pumps, control systems, agricultural equipment, lighting circuits and electrical distribution networks.
NH fuses (also known as NH Knife Blade Fuses or DIN NH Blade Fuses), It is an HRC fuse (high rupturing capacity fuse). They were primarily designed as general-purpose fuses for the protection of conductors. NH fuses are one-time fuses, meaning once they have blown, they must be replaced with a new fuse with the same characteristics.
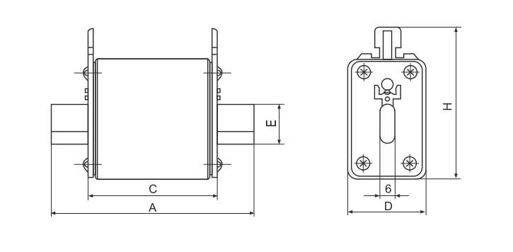
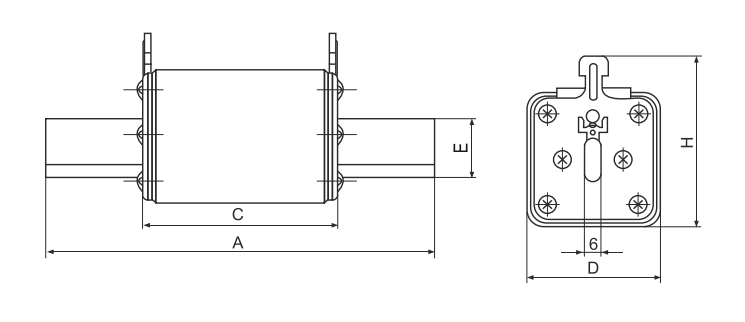
NH fuses are constructed from a rectangular ceramic casing enclosed by a cover plate that features a metal blade style terminal on each end. The fuse element inside the casing is connected to the cover plate / blade terminals. The majority of NH Fuses have a trip indicator to show if the fuse element has blown. Each cover plate includes a metal extraction lug that enables quick removal of the fuse from a holder when using the recommended NH fuse puller tool.
This series of fuse links is mainly used in AC 50Hz, rated voltage up to 1140V, rated current up to 1250A and for protecting electric equipment from overload and short-circuit. It can reliably break the minimum fusion current to any current within 120KA.
It is also available for the protection of semiconductor parts and equipment's against short-circuit (type aR) and protection of motors (type aM).
This series of fuse links conforms to IEC 60269 standards.
It adopts the material with high quality. The arc-extinguishing medium is quartz sand fuse tube is high strength ceramic. The advanced manufacturing craft work ensures the performance of small power waste, stable characteristic for the product. The outline structures and installation dimensions join advanced similar products from domestic and abroad.
NH Fuses have evolved over the years to suit a wide range of applications. Currently NH fuses are available in a wide range of element speeds.
|
aR, gR |
Protection of semiconductor devices, Very Fast Acting fuse. |
|
gL, gG |
General Purpose, Fast Acting fuse. |
|
aM |
Motor Protection, Slow Acting fuse. |
|
gPV |
Protection of solar photovoltaic arrays. |
|
gS |
Protection of Batteries. |
NH0 Series Fuse Link

|
Model |
Domestic and overseas similar products |
Rated Voltage (V) |
Rated Current (A) |
Dimension (mm) |
|||||
|
gG |
aR |
A |
C |
D |
E |
H |
|||
|
NH00C |
NH00C |
RS30C |
500/690 |
4-100 |
78.5 |
49.5 |
21 |
15 |
52.5 |
|
NH00 |
NH00 |
RS31 |
500/690 |
10-160 |
78 |
50.5 |
30 |
15 |
60 |
|
NH0 |
NH0 |
- |
500/690 |
6-160 |
125 |
67 |
30 |
15 |
60 |
NH1/NH2/NH3 Series Fuse Link

|
Model |
Domestic and overseas similar products |
Rated Voltage (V) |
Rated Current (A) |
Dimension (mm) |
|||||
|
gG |
aR |
A |
C |
D |
E |
H |
|||
|
NH1 |
NH1 |
RS32 |
500/690 |
32-250 |
135 |
68 |
46 |
20 | 58.5 |
|
NH2 |
NH2 |
RS33 |
500/690 |
80-400 |
150 |
68 | 58 | 25 | 68.5 |
|
NH3 |
NH3 |
RS33 |
500/690 |
160-630 |
150 |
68 | 70 | 32 | 82 |
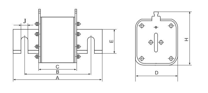
NH4 Series Fuse Link
It is allowable to change the double-transverse type wiring hole one-transverse one-straight or double-straight type structure.

|
Model |
Domestic and overseas similar products |
Rated Voltage (V) |
Rated Current (A) |
Dimension (mm) |
||||||
|
gG |
aR |
A |
B |
C |
D |
H |
J |
|||
|
NH4 |
NH4 |
RS39 |
500/690 |
500-1250 |
200 |
150 | 90 | 97 | 113 | 16.5 |
Send us a message if you have any questions or request a quote.Our experts will give you a reply within 24 hours
and help youselect the right valve you want.