Cable Connector Tube are electrical accessories that are used to securely connect or combine two power wires. Power cables are crimped on both sides of the ferrule for a solid connection. Electrolytic copper is used to make ferrules. Ferrules are available in two finishes: bare and tin plated. Divided into straight type (for the same cross-section of Al & Cu cables) and Reducing type (for different cross-sections of Al & Cu cables).
GTY copper cable connector
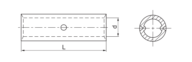
Material: E-Cu
Surface treatment: Tin-plated
Product property: Tin-plated
Product property: It is used to connect copper conductor joint.

|
Type |
Dimensions(mm) |
|
|
L |
d |
|
|
GTY-1-1.5 |
20 |
1.9 |
|
GTY-1-2.5 |
20 |
2.8 |
|
GTY-1-4 |
20 |
3.2 |
|
GTY-1-6 |
25 |
3.7 |
|
GTY-1-10 |
30 |
4.5 |
|
GTY-1-16 |
35 |
5.7 |
|
GTY-1-25 |
40 |
7.2 |
|
GTY-1-35 |
45 |
8.5 |
|
GTY-1-50 |
50 |
9.8 |
|
GTY-1-70 |
55 |
11.5 |
|
GTY-1-95 |
60 |
13.7 |
|
GTY-1-120 |
65 |
15 |
|
GTY-1-150 |
70 |
16.7 |
|
GTY-1-185 |
75 |
19.2 |
|
GTY-1-240 |
80 |
21 |
|
GTY-1-300 |
85 |
24 |
|
GTY-1-400 |
90 |
27 |
|
GTY-1-500 |
100 |
30 |
|
GTY-1-630 |
110 |
35 |
|
GTY-1-800 |
150 |
39 |
|
GTY-1-1000 |
170 |
44 |
GTL copper cable connector
Material: E-CU A1-99.5%
Surface treatment: Bright
Product property: Due to the coupling effect when aluminum comes in contact with copper corrosion will happen in a short time currently the best solution is to use aluminum-copper bimetal connectors, A bimetal link should be used for joint the friction welding is well done and its aluminum barrel capped is filled with joint compound to avoid oxidization.

|
Type |
Dimensions(mm) |
||
|
L |
d |
d1 |
|
|
GTL-AL25/CU16 |
70 |
6.8 |
5.5 |
|
GTL-AL35/CU16 |
76 |
8 |
5.5 |
|
GTL-AL35/CU25 |
82 |
8 |
7 |
|
GTL-AL50/CU25 |
85 |
9.8 |
7 |
|
GTL-AL50/CU35 |
90 |
9.8 |
8.2 |
|
GTL-AL70/CU35 |
95 |
11.2 |
8.2 |
|
GTL-AL70/CU50 |
100 |
11.2 |
10 |
|
GTL-AL95/CU50 |
105 |
13.2 |
10 |
|
GTL-AL95/CU70 |
110 |
13.2 |
11.5 |
|
GTL-AL120/CU70 |
116 |
14.7 |
11.5 |
|
GTL-AL120/CU95 |
118 |
14.7 |
13.5 |
|
GTL-AL150/CU95 |
120 |
16.3 |
13.5 |
|
GTL-AL150/CU120 |
122 |
16.3 |
15.5 |
|
GTL-AL185/CU120 |
128 |
18.3 |
15.5 |
|
GTL-AL185/CU150 |
130 |
18.3 |
17 |
|
GTL-AL240/CU150 |
132 |
21 |
17 |
|
GTL-AL240/CU185 |
135 |
21 |
19 |
|
GTL-AL240/CU240 |
140 |
121 |
21.5 |
|
GTL-AL300/CU240 |
145 |
23.3 |
21.5 |
|
GTL-AL300/CU300 |
150 |
23.3 |
24.5 |
Send us a message if you have any questions or request a quote.Our experts will give you a reply within 24 hours
and help youselect the right valve you want.