CAL6-100H Residual Current Circuit Breaker suitable for earth leakage protection of 25-100A AC distribution system, large terminal port 35mm2, both sides can use pin-type or U-type busbar; High safety performance, over 30 mA current, and power failure in 3 milliseconds; Independently developed and produced all parts and components independently.
| Standard | IEC/EN61008-1 |
| Protection | Ground fault |
| Type of trip | Electro-magnetic |
| Type of protection (electric leakage) | AC, A, G, S |
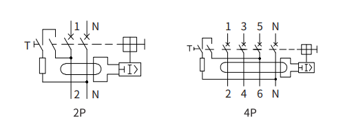
| No. of poles | 2P(1P+N), 4P(3P+N), N Pole on left |
| Rated currents (In) | 16,25,32,40,63,80,100A |
| Rated sensitivity currents I△n | 10,30,100,300mA (10mA only for In=16-25A) |
| Residual current off-time under I△n | ≤0.1s |
| Rated residual making and breaking capacity(I△m) | 500A(In=16-40A),10In (In=63-100A) |
| Rated voltage (Ue) | 1P+N:230/240V~,3P+N:400/415V~ |
| Rated frequency | 50/60Hz |
| Rated breaking capacity | 10,000A |
| SCPD fuse | 10000 |
| Rated impulse with standard voltage (1.5/50) Uimp | 4,000V |
| Dielectric test voltage at Ind. Freq. for 1 min | 2kV |
| Electrical life | 2,000Cycles |
| Mechanical life | 4,000Cycles |
| Contact position indicator | Yes |
| Ground fault indicator | Yes |
| Protection degree | IP20 |
| Ambient temperature | -5℃ to +40℃, Max.95% humidity |
| Terminal connection type | Cable/Pin-type busbar |
| Max. terminal size for cable | 35mm2 |
| Max. tightening torque | 2.5N.m |
| Installation | Mounting on 35mm DIN rail |
| Connection | From top and bottom |


Send us a message if you have any questions or request a quote.Our experts will give you a reply within 24 hours
and help youselect the right valve you want.