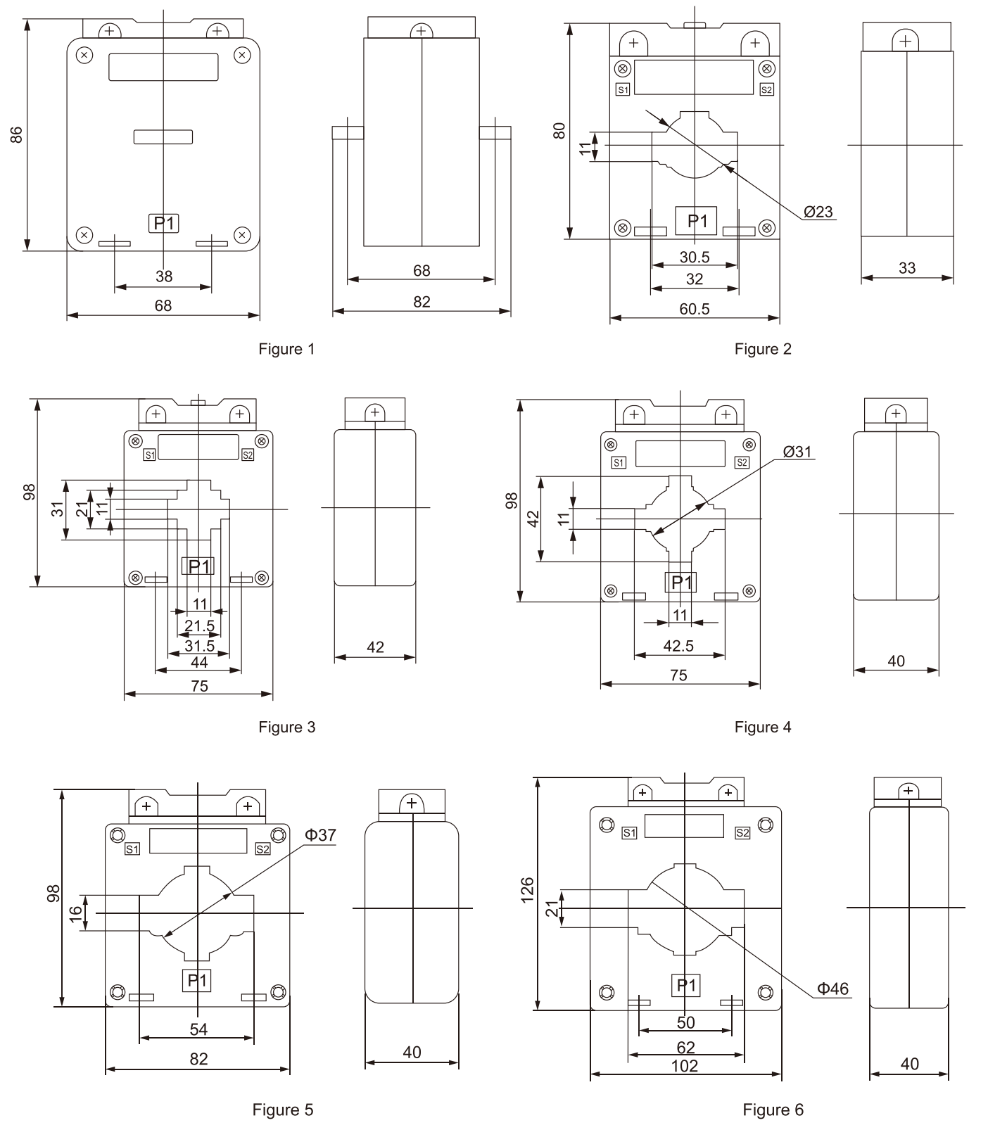
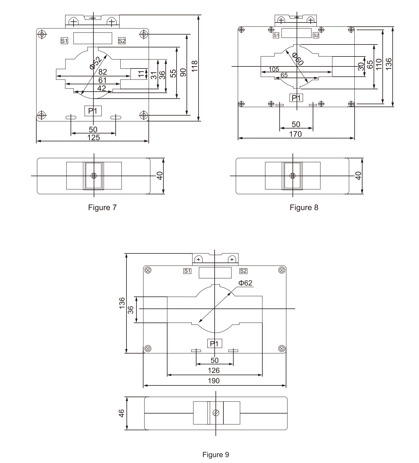
BH-0.66 I Current Transformer is used in combination with measurement instruments: ammeters, watt-hour meters, measurement units, control relays, etc.
2.1 Secondary current Isn: 5A
2.2 Rated voltage Ue:660 V
2.3 Frequency: 50/60 Hz
2.4 Instrument security factor (FS): 10
2.5 Operating temperature: -5°C to +40°C, humidity <80%
2.6 Standards: IEC 60044-1
2.7 Installation type: busbar or plate fixing





Send us a message if you have any questions or request a quote.Our experts will give you a reply within 24 hours
and help youselect the right valve you want.