The S -M series three-phase oil immersed transformer adopts full oil filled and sealed corrugated oil tank. The oil tank shell adapts to the oil expansion performance with its own elasticity and meets the heat dissipation requirements. The body adopts a new insulation structure to improve the short-circuit resistance; the core is made of high-quality cold-rolled
silicon steel sheet; the high-voltage and low-voltage windings are made of oxygen free copper wires and adopt multi-layer cylindrical structure; all fasteners adopt special anti-loosening treatment. The product has the characteristics of high efficiency and low loss, can save a lot of power consumption and operating costs, and has significant social benefits. It has been widely used in power plants, substations, industrial and mining enterprises, ports, airports and other places.

IEC60076-1:2011 Power transformers - Part 1: General
IEC60076-2:2011 Power transformers - Part 2: Temperature rise for liquid-immersed transformers
IEC 60076-3:2013+AMD1:2018 Power transformers - Part 3: Insulation levels, dielectric tests and external clearances in air
IEC 60076-5:2006 Power transformers - Part 5: Ability to withstand short circuit
IEC 60076-10:2016 Power transformers - Part 10: Determination of sound levels
Ambient Temperature: No more than +40℃ No less than -25℃, The monthly average temperature is no more than +30℃, The yearly average temperature is no more than +20℃
Altitude: No more than 1000m.
The power supply voltage's wave is similar to a sine wave.
Three-phase power supply voltage is approximately symmetrical.
The total harmonic content of load current shall not exceed 5% of rated current.
Installation Site: Indoor or outdoor.
The iron core is made of silicon steel sheet with high quality, high performance and high magnetic conductivity, with low no-load loss.
High voltage winding adopts layer structure. Low voltage winding 500KVA and below is layer type, 630kVA and above products adopt new spiral type. High mechanical strength, balanced ampere turn distribution, strong short circuit resistance.
The positioning structure is added to the body to avoid displacement during transportation. At the same time, all fasteners are equipped with fastening nuts to ensure that the fasteners are not loose during long-term operation.
This product is a fully sealed structure. The vacuum oil filling process is adopted when the transformer is packaged, which completely removes the moisture in the transformer, ensures the isolation of the transformer oil from the outside air, prevents the aging of the oil, and improves the operation reliability of the transformer. The product is equipped with pressure relief valve, signal thermometer, gas relay and so on to ensure the safe operation of the transformer.
Corrugated oil tank is adopted. This kind of oil tank has the advantages of simple processing, high mechanical strength, good welding effect and no leakage. And because of the strong fluidity of the oil, the heat dissipation capacity of the product is improved.
The product is beautiful in appearance, small in volume and small in floor area. It is an ideal maintenance free product.
1. S11-M 11kV Three Phase Oil Immersed Distribution Transformer

|
Rated capacity (kvA)
|
Voltage (kV)
|
Vector Group | Impedance Voltage (%) | No-load Loss (W) | Load Loss (W) |
No-Ioad
current
(%)
|
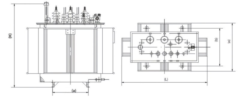
Reference Dimensions(mm) L*W*H |
Total
Weight
(kg)
|
| 30 |
High Voltage H.V. |
Dyn11
Yyn0
Yzn11
|
4 | 100 | 630/600 | 1.5 |
690x510x920
|
275 |
| 50 | 130 | 910/870 | 1.3 |
730x510x960
|
340 | |||
| 63 | 150 | 1090/1040 | 1.2 |
750x550x1000
|
385 | |||
| 80 | 180 | 1310/1250 | 1.2 |
790x620x1020
|
450 | |||
| 100 | 200 | 1580/1500 | 1.1 |
790x700x1040
|
520 | |||
| 125 | 240 | 1890/1800 | 1.1 |
840x800x1070
|
625 | |||
| 160 | 280 | 2310/2200 | 1.0 |
1070x670x1130
|
695 | |||
| 200 | 340 | 2370/2600 | 1.0 |
1140x750x1140
|
795 | |||
| 250 | 400 | 3200/3050 | 0.9 |
1200x800x1190
|
955 | |||
| 315 | 480 | 3830/3650 | 0.9 |
1300x860x1210
|
1085 | |||
| 400 | 570 | 4520/4300 | 0.8 |
1380x900x1240
|
1290 | |||
| 500 | 680 | 5410/5100 | 0.8 |
1450x950x1300
|
1590 | |||
| 630 |
Dyn11
Yyn0
|
4.5 | 810 | 6200 | 0.6 |
1500x970x1360
|
1850 | |
| 800 | 980 | 7500 | 0.6 |
1660x1140x1400
|
2210 | |||
| 1000 | 1150 | 10300 | 0.6 |
1690x1190x1530
|
2570 | |||
| 1250 | 1360 | 12000 | 0.5 |
1760x1230x1600
|
3115 | |||
| 1600 | 1640 | 14500 | 0.5 |
1800x1250x1660
|
3520 | |||
| 2000 | 5 | 1940 | 18300 | 0.4 |
1930x1360x1490
|
4060 | ||
| 2500 | 2290 | 21200 | 0.4 |
2080x1360x1570
|
5105 |
2. S13-M 11kV Three Phase Oil Immersed Distribution Transformer
|
Rated capacity (kvA)
|
Voltage (kV)
|
Vector Group | Impedance Voltage (%) | No-load Loss (W) | Load Loss (W) |
No-Ioad
current
(%)
|
Reference Dimensions(mm) L*W*H |
Total
Weight
(kg)
|
| 30 |
High Voltage H.V. |
Dyn11
Yyn0
Yzn11
|
4 | 80 | 630/600 | 1.5 |
695x490x860
|
260 |
| 50 | 100 | 910/870 | 1.3 |
725x520x955
|
365 | |||
| 63 | 110 | 1090/1040 | 1.2 |
750x535x970
|
415 | |||
| 80 | 130 | 1310/1250 | 1.2 |
770x565x985
|
465 | |||
| 100 | 150 | 1580/1500 | 1.1 |
800x595x1000
|
545 | |||
| 125 | 170 | 1890/1800 | 1.1 |
815x670x1010
|
585 | |||
| 160 | 200 | 2310/2200 | 1.0 |
1015x645x1055
|
695 | |||
| 200 | 240 | 2370/2600 | 1.0 |
1020x650x1115
|
810 | |||
| 250 | 290 | 3200/3050 | 0.9 |
1140x730x1120
|
930 | |||
| 315 | 340 | 3830/3650 | 0.9 |
1195x785x1175
|
1075 | |||
| 400 | 410 | 4520/4300 | 0.8 |
1265x855x1195
|
1255 | |||
| 500 | 480 | 5410/5100 | 0.8 |
1325x915x1240
|
1435 | |||
| 630 |
Dyn11
Yyn0
|
4.5 | 570 | 6200 | 0.6 |
1465x960x1295
|
1880 | |
| 800 | 700 | 7500 | 0.6 |
1515x995x1340
|
2145 | |||
| 1000 | 830 | 10300 | 0.6 |
1605x1095x1460
|
2455 | |||
| 1250 | 970 | 12000 | 0.5 |
1685x1145x1485
|
2840 | |||
| 1600 | 1170 | 14500 | 0.5 |
1775x1225x1580
|
3310 | |||
| 2000 | 5 | 1550 | 18300 | 0.4 |
1855x1265x1600
|
3960 | ||
| 2500 | 1830 | 21200 | 0.4 |
1885x1305x1780
|
4980 |
3. S14-M 11kV Three Phase Oil Immersed Distribution Transformer

|
Rated capacity (kvA)
|
Voltage (kV)
|
Vector Group | Impedance Voltage (%) | No-load Loss (W) | Load Loss (W) |
No-Ioad
current
(%)
|
Reference Dimensions(mm) L*W*H |
Total
Weight
(kg)
|
| 30 |
High Voltage H.V. |
Dyn11
Yyn0
Yzn11
|
4 | 80 | 505/480 | 1.5 |
785x710x880
|
370 |
| 50 | 100 | 730/695 | 1.3 |
800x730x940
|
480 | |||
| 63 | 110 | 870/830 | 1.2 |
815x720x970
|
535 | |||
| 80 | 130 | 1050/1000 | 1.2 |
830x740x990
|
580 | |||
| 100 | 150 | 1260/1200 | 1.1 |
875x790x1010
|
705 | |||
| 125 | 170 | 1510/1440 | 1.1 |
875x770x1050
|
775 | |||
| 160 | 200 | 1850/1760 | 1.0 |
935x820x1140
|
975 | |||
| 200 | 240 | 2180/2080 | 1.0 |
995x870x1140
|
1140 | |||
| 250 | 290 | 2560/2440 | 0.9 |
995x900x1180
|
1240 | |||
| 315 | 340 | 3060/2920 | 0.9 |
1030x880x1250
|
1425 | |||
| 400 | 410 | 3610/3440 | 0.8 |
1075x910x1270
|
1635 | |||
| 500 | 480 | 4330/4120 | 0.8 |
1120x930x1320
|
1950 | |||
| 630 |
Dyn11
Yyn0
|
4.5 | 570 | 4960 | 0.6 |
1165x950x1350
|
2150 | |
| 800 | 700 | 6000 | 0.6 |
1210x1050x1390
|
2515 | |||
| 1000 | 830 | 8240 | 0.6 |
1520x1020x1450
|
2635 | |||
| 1250 | 970 | 9600 | 0.5 |
1630x1090x1540
|
3210 | |||
| 1600 | 1170 | 11600 | 0.5 |
1680x1150x1600
|
3905 | |||
| 2000 | 5 | 1550 | 14600 | 0.4 |
1890x1300x1600
|
4130 | ||
| 2500 | 1830 | 16900 | 0.4 |
1990x1360x1700
|
5250 |
Send us a message if you have any questions or request a quote.Our experts will give you a reply within 24 hours
and help youselect the right valve you want.